Loopback connectors are designed for the testing of communication ports. They take the form of either a single plug or a port-to-port cable with some communication connections shorted (looped-back).
|
Note - Loopback connectors must be wired properly and connected firmly for the Serial Port tests to work correctly. Miswired, poorly soldered, or missing loopback connectors can cause erroneous diagnostic error messages.
|
Table A-1 depicts the pin assignments for most loopback plugs and cables that may be used when testing a system.
TABLE A-1 Loopback Connector Pin Assignments
|
Signal Description
|
EIA
|
CCITT #
|
RS-449
"A"
|
RS-449 "B"
|
DIN 8
8-pin round
|
DB9
9-pin
|
DB25
25-pin
|
Direction
|
Alpha ID
|
|
Chassis/Frame Ground
|
AA
|
101
|
1
|
NC*
|
NC*
|
NC*
|
1
|
None
|
AA
|
|
Transmit Data
(TxDa)
|
BA
|
103
|
4
|
22
|
3
|
3
|
2
|
Output
|
BA
|
|
Receive Data
(RxDa)
|
BB
|
104
|
6
|
24
|
5
|
2
|
3
|
Input
|
BB
|
|
Request To Send
(RTSa)
|
CA
|
105
|
7
|
25
|
6
|
7
|
4
|
Output
|
CA
|
|
Clear To Send
(CTSa)
|
CB
|
106
|
9
|
27
|
2
|
8
|
5
|
Input
|
CB
|
|
Data Set Ready
(DSRa)
|
CC
|
107
|
11
|
29
|
NC*
|
6
|
6
|
Input/
output
|
CC
|
|
Signal Ground
(SG)
|
AB
|
102
|
19
|
NC*
|
4
|
5
|
7
|
None
|
AB
|
|
Data Carrier Detect
(DCDa)
|
CF
|
109
|
13
|
31
|
7
|
1
|
8
|
Input
|
CF
|
|
Transmit Clock In
(TRxCa)
|
DB
|
114
|
5
|
23
|
NC*
|
NC*
|
15
|
Input
|
DB
|
|
Receive Clock In
(RTxCa)
|
DD
|
115
|
8
|
26
|
8
|
NC*
|
17
|
Input
|
DD
|
|
Data Terminal
Ready (DTRa)
|
CD
|
108
|
12
|
30
|
1
|
4
|
20
|
Output
|
CD
|
|
External Clock Out
(TRxCa)
|
DA
|
113
|
17
|
35
|
NC*
|
NC*
|
24
|
Output
|
DA
|
|
Secondary Data
Carrier Detect
(DCDb)
|
SCF
|
122
|
NC*
|
NC*
|
NC*
|
NC*
|
12
|
Input
|
SCF
|
|
Secondary Clear
to Send (CTSb)
|
SCB
|
121
|
NC*
|
NC*
|
NC*
|
NC*
|
13
|
Input
|
SCB
|
|
Secondary Transmit
Data (TxDb)
|
SBA
|
118
|
NC*
|
NC*
|
NC*
|
NC*
|
14
|
Output
|
SBA
|
|
Secondary Receive
Data (RxDb)
|
SBB
|
119
|
NC*
|
NC*
|
NC*
|
NC*
|
16
|
Input
|
SBB
|
|
Secondary Request
to Send (RTSb)
|
SCA
|
120
|
NC*
|
NC*
|
NC*
|
NC*
|
19
|
Output
|
SCA
|
*NC = No connection
25-Pin RS-232 Loopback Plug
The RS-232 and RS-423 single-port loopback plug is a specially wired male
DB-25 connector. It is plugged in to a serial port in the back of the system under test.
FIGURE A-1 25-pin RS-232 Loopback Plug Wiring Diagram
25-pin RS-232 Port-to-Port Loopback Cable
Use these wiring instructions for 25-pin RS-232 and RS-423 port to 25-pin RS 232 and RS 423 port loopback cables (two DB-25 connections). It is plugged into a pair of serial ports in the back of the system under test. Both connectors are male.
FIGURE A-2 25-pin RS-232 Port-to-Port Loopback Cable Wiring Diagram
8-Pin to 8-Pin Loopback Cable
Use these wiring directions for 8-pin round DIN RS-232 port to RS-423 to 8-pin round-DIN RS-232 and RS-423 port loopback cable. Both connectors are male.
FIGURE A-3 8-Pin to 8-Pin Loopback Cable Wiring Diagram
Pin 8, Receive clock In (DD), remains unconnected.
8-Pin Loopback Plug
Use these wiring directions for male 8-pin round-DIN RS-232 and RS-423 single-port loopback plugs.
FIGURE A-4 8-Pin Loopback Plug Wiring Diagram
Pin 8, Receive Clock In (DD), remains unconnected.
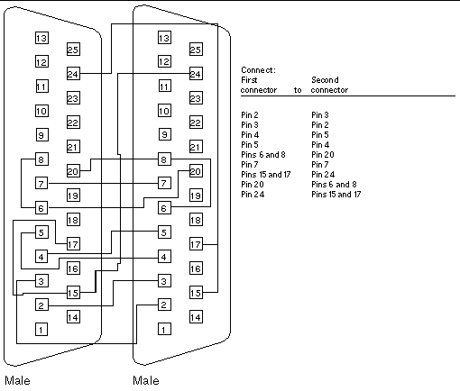
25-pin Port A-to-Port B Loopback Plug
Use these wiring directions for a 25-pin Port A to Port B loopback plug for most systems.
FIGURE A-5 Port A-to-Port B Loopback Plug Wiring Diagram
25-pin Port A-to-A Port B-to-B Loopback Plug
If your system has a single communication port to connect it to peripherals, use these wiring instructions for making a male 25-pin loopback plug for that communication port.
FIGURE A-6 Port A-to-A, Port B-to-B Loopback Plug Wiring Diagram
96-Pin Female Loopback Connector
This 96-pin connector can be ordered from Sun (part number 370-1366).
FIGURE A-7 96-Pin Female Loopback Connector Wiring Diagram
96-Pin Female Special Loopback Connector
This 96-pin connector can be ordered from Sun (part number 370-1381).
FIGURE A-8 96-Pin Female Special Loopback Connector Wiring Diagram
37-Pin RS-449 Loopback Cable
Use these wiring instructions for a loopback cable for two 37-pin RS-449 synchronous ports.
FIGURE A-9 37-Pin RS-449 Loopback Cable Wiring Diagram
37-Pin RS-449 Loopback Plug
Use these wiring instructions for making a male 37-pin RS-449 loopback plug. This connector is also available from Sun (part number 530-1430).
FIGURE A-10 37-Pin RS-449 Loopback Plug Wiring Diagram
9-pin Male Single-Port Loopback Plug
Use these wiring instructions for male 9-pin RS-232 and RS-423 single-port loopback plugs.
FIGURE A-11 9-Pin Male Single-Port Loopback Plug Wiring Diagram
9-pin Female Single-Port Loopback Plug
Use these wiring directions for female 9-pin RS-232 and RS-423 single-port loopback plugs. Use this loopback plug with the
pcmciatest
.
FIGURE A-12 9-Pin Female Single-Port Loopback Plug Wiring Diagram
9-Pin to 25-Pin Port-to-Port Loopback Cable
Use these wiring instructions for a 9-pin RS-232 and RS-423 port to 25-pin RS-232 and RS 423 port loopback cables. Both connectors are male.
FIGURE A-13 9-Pin to 25-Pin Port-to-Port Loopback Cable Wiring Diagram
9-Pin to 9-Pin Port-to-Port Loopback Cable
Use these wiring instructions for 9-pin RS-232 and RS 423 port to 9-pin RS-232 and RS-423 port loopback cables. Both connectors are male.
FIGURE A-14 9-Pin to 9-Pin Port-to-Port Loopback Cable Wiring Diagram
Please note that this cable has no Sun part number assigned to it.
NT to TE Loopback Cable
Using two standard RJ-45 connectors, and connect pin 1 to pin 1, pin 2 to pin 2, and so on, for all pins. This loopback is a "straight-through" connection.
Twisted-Pair Ethernet (TPE) Loopback Cable For Fast Ethernet
Use the following wiring instructions for standard RJ-45 connectors for Fast Ethernet. This loopback cable is used in
netlbtest
for
eri
devices.
FIGURE A-15 Twisted-Pair Ethernet (TPE) Loopback Cable Wiring Diagram for Fast Ethernet
TPE Loopback Cable For Gigabit Ethernet
Use the following wiring instructions for RJ-45 connectors for Gigabit Ethernet. This loopback cable is used in
netlbtest
for
ge
devices.
FIGURE A-16 TPE Loopback Cable Wiring Diagram for Gigabit Ethernet
|
SunVTS 5.0 Test Reference Manual
|
816-1667-10
|
|
Copyright
© 2002, Sun Microsystems, Inc. All rights reserved.